直接觀看文章
傑笙真空科技
主頁
公司簡介
服務項目
技術網站專區
客戶見證
聯絡我們
搜尋
購物車
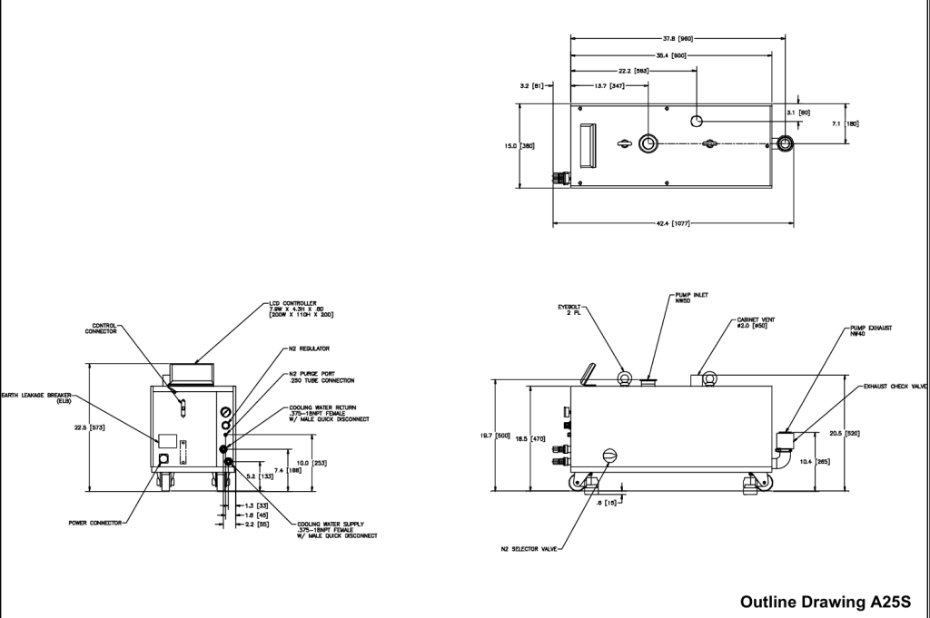
EBARA A25S
載入迴響中...
發表迴響…
電子郵件 (必要)
名稱 (必要)
網站
傑笙真空科技
註冊
登入
複製短網址
回報此內容
管理訂閱